An example of collaboration
Teachers from the Västerås and Blagnac schools are working on the rover’s chassis, collaborating on the construction.

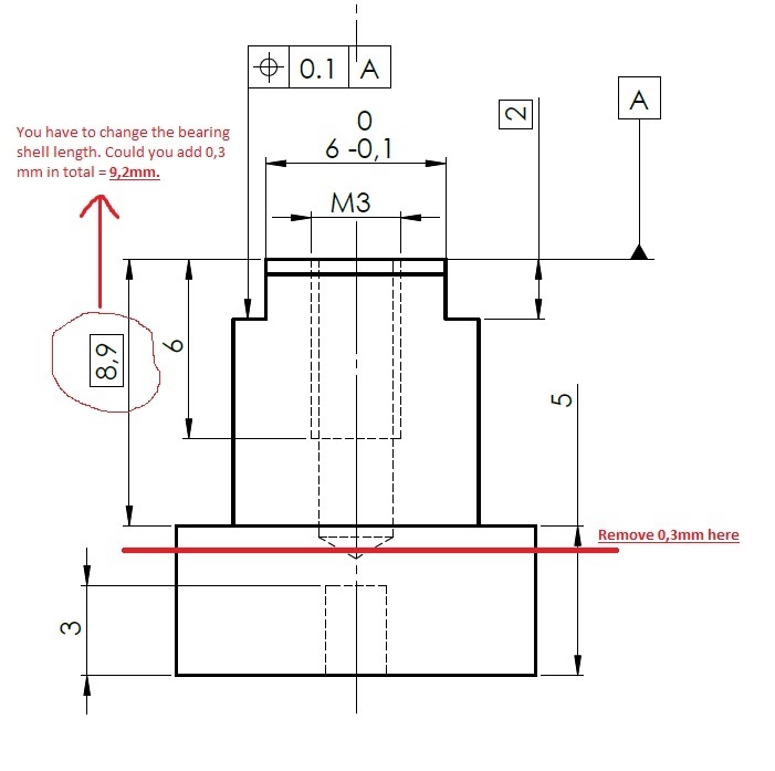
An example of joint work is this. In France a piece (bearing shell) is designed, the piece is received in Sweden and the teacher and students manufacture it with the results shown below:

Later on, the parts are sent to France for assembling them in the rover.
Once the measurements have been checked and assembled in the rover, it can be seen that the work has been perfect. The parts meet the specifications and function for which they were designed.
This is a collaborative work between the Swedish team and the French team. It’s not the only one. Our teachers and students are in continuous contact and collaboration through tools such as Slack and in this way they learn to work in a collaborative way such as the Airbus company. Airbus is an example of collaboration for all of us that shows how when the talent and work of professionals come together great achievements can be made from European countries.
